ContentsFirstPreviousHomeNextLast
QCad Benutzerhandbuch

4. Grundlegende CAD Konzepte

4.1. Objekte

Objekte sind grafische Elemente einer Zeichnung in einem CAD System. Typische Objekte, die von den meisten CAD Systemen unterstützt werden sind: Punkte, Linien, Kreisbogen und Ellipsen. Komplexere Objekte sind oft CAD spezifisch, wie zum Beispiel Polylinien, Texte, Bemassungen, Schraffuren und Splines.

4.2. Attribute

Jedes Objekt hat gewisse Attribute wie seine Farbe, sein Linientyp und die Linienbreite.

4.3. Layer

Ein grundlegendes Konzept des Computer unterstützten Konstruierens ist die Benutzung von Layern um Zeichnungen zu organisieren und strukturieren. Jedes Objekt einer Zeichnung ist auf exakt einem Layer und ein Layer kann beliebig viele Objekte fassen. Meistens werden Objekte mit gemeinsamen Attributen oder einer gemeinsamen Funktion auf einem Layer zusammengefasst. Layer haben Attribute (Farbe, Linienbreite, Linienstil). Jedes Objekt auf einem Layer kann eigene Attribute haben oder die Attribute seines Layers übernehmen.

Abbildung 1 zeigt eine Beispiel-Zeichnung, die Layer benutzt. Alle Bemassungen der Zeichnung wurden auf dem Layer 'dimensions' erstellt. Die Farbe aller Bemassungs-Objekte wird definiert durch diesen Layer und kann einfach geändert werden indem die Farbe des Layers 'dimensions' angepasst wird. Ausserdem kann die Zeichnung ohne Bemassungen angezeigt werden indem der Layer 'dimensions' ausgeblendet wird.

Wenn früher manuell gezeichnet wurde, wurde oft ein ähnliches Verfahren eingesetzt. Verschiedene Baukomponenten wie zum Beispiel Verkabelung und Air Conditioning wurden auf separaten transparenten Papieren konstruiert und übereinandergelegt um die endgültige Zeichnung zu erstellen.


Abbildung 1: Beispiel für die Verwendung von Layern.

4.4. Blöcke

Ein Block ist eine Gruppe von Objekten. Blöcke können mehrmals in die gleiche Grafik eingefügt werden mit verschiedenen Attributen, Skalierung, Rotationswinkel und an verschiedenen Positionen (siehe Abbildung 2). So eine Instanz eines Blocks wird 'Insert' genannt. Inserts haben Attribute wie andere Objekte auch. Ein Objekt, das Teil eines Inserts ist, kann eigene Attribute haben oder Attribute des Inserts übernehmen. Nachdem ein Insert erstellt wurde ist es immer noch mit dem Block verknüpft. Darin liegt der grosse Vorteil von Blöcken und Inserts. Wenn der Block editiert wird, hat dies entsprechende Auswirkungen auf alle Inserts die von diesem Block erstellt wurden.


Abbildung 2: Drei Instanzen (Inserts) eines Blockes mit unterschiedlichen Farben, Winkeln und Skalierungen.

4.5. Zeichnen mit einem CAD System

In mancher Hinsicht ist die Konstruktion am CAD System ähnlich wie traditionelles Zeichnen. Wenn Sie Pläne oder Darstellungen realer Objekte auf Papier darstellen wollen, würden Sie dazu Werkzeuge wie zum Beispiel einen Massstab, Zirkel und Bleistift verwenden. In einem CAD System sind viele Werkzeuge vorhanden um das gleiche Ziel zu erreichen. Der grosse Vorteil des CAD Systems ist, dass Objekte nach der Konstruktion weiter verändert werden können. Dies ist vielleicht das Schwierigste beim Umstieg von Papier auf CAD. Wenn Sie mit einem CAD System arbeiten erstellen Sie sehr oft Linien und andere Objekte, die in der endgültigen Zeichnung nicht oder nicht in dieser Form sichtbar sind (siehe Abbildung 3). Ein häufiger Fehler von Anfängern ist, das sie gleich von der ersten Linie an die endgültige Zeichnung erstellen wollen.


Abbildung 3: Drei mögliche Schritte um schnell eine Zeichnung mit Unterstützung von Hilfskonstruktionen und nachträglicher Veränderung bestehender Objekte zu erstellen.

4.6. Koordinatensysteme

Ein gutes Verständnis der verschiedenen Koordinatensysteme ist sehr wichtig um ein CAD System richtig einsetzen zu können. Wenn Sie nicht bereits mit Koordinatensystemen vertraut sind, ist es empfehlenswert sich etwas Zeit zu nehmen sich damit zu beschäftigen.

Absoluter Nullpunkt

Der Nullpunkt einer Zeichnung ist der Punkt wo sich X und Y Achsen schneiden. Dies ist der absolute Nullpunkt der Zeichnung.

Relativer Nullpunkt

Zusätzlich zum absoluten gibt es auch einen relativen Nullpunkt in QCad. Dieser ändert seine Position je nach aktuellem Bearbeitungsschritt. Er kann auch vom Anwender verschoben werden.

Kartesische Koordinaten

Das kartesische Koordinatensystem ist das Standard Koordinatensystem in dem die Position eines Punktes durch seine Distanzen von den zwei Achsen X und Y bestimmt wird. Kartesische Koordinaten werden in QCad in diesem Format geschrieben:

X-Ordinate,Y-Ordinate

Zum Beispiel die Koordinate 3.5,7 befindet sich 3.5 Einheiten rechts und 7 Einheiten oberhalb des absoluten Nullpunktes.


Abbildung 4: Absolute kartesische Koordinaten 40,30.

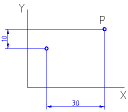
Kartesische Koordinaten können ihren Ursprung auch an einer anderen Position als dem absoluten Nullpunkt haben. In diesem Zusammenhang spricht man auch von relativen Koordinaten. In QCad werden relative Koordinaten wie folgt geschrieben:

@X-Ordinate,Y-Ordinate


Abbildung 5: Relative kartesische Koordinaten @30,10.

Polare Koordinaten

Polare Koordinaten definieren einen Punkt mit einem Abstand und einem Winkel bezüglich einem Referenzpunkt. Der Winkel 0 ist immer nach rechts (Osten) gerichtet auf dem Bildschirm. In QCad werden polare Koordinaten wie folgt dargestellt:

Abstand<Winkel


Abbildung 6: Absolute polare Koordinaten 50<37.

Wie kartesische Koordinaten können auch polare Koordinaten von einem anderen Punkt als dem Nullpunkt aus gemessen werden. Relative polare Koordinaten werden in QCad in diesem Format geschrieben:

@Abstand<Winkel


Abbildung 7: Relative polare Koordinaten @31.6<18.4.

4.7. Objekt und Raster Fangfunktionen

Immer wenn Sie in QCad eine Koordinate bestimmen müssen, können Sie dazu die Fangfunktionen benutzen. Diese erlauben es, präzise einen Rasterpunkt oder signifikante Punkte auf existierenden Objekten (zum Beispiel Endpunkte, Mittelpunkte, ...) als Basis für den aktuellen Konstruktionsschritt zu verwenden.

4.8. Grundlagen der Konstruktion

Objekt Konstruktion

Objekte können mit diversen Konstruktions-Werkzeugen oder durch das Kopieren bestehender Objekte konstruiert werden. Ein Objekt zu konstruieren heisst alle Punkte und Parameter zu definieren, welche zur Definition des Objektes notwendig sind. Zum Beispiel die Endpunkte einer Linie.

Objekt Selektion

Ein Objekt muss selektiert werden bevor es gelöscht, dupliziert oder modifiziert werden kann. Objekt Selektion (oder Objekt Auswahl) ist eine der grundlegenden Funktionen eines CAD Systems. QCad offeriert eine breite Palette von Selektions-Werkzeugen um zum Beispiel effizient Gruppen von Objekten, Objekte in einem bestimmten Bereich oder zusammenhängende Objekte zu selektieren.

Löschen

Ein Objekt zu löschen heisst, es von der Zeichnung zu entfernen. In QCad, alle Funktionen, die Objekte löschen sind mit den Modifikations-Funktionen gruppiert.

Modifikation

Existierende Objekte können auf verschiedene Arten modifiziert werden. Die grundlegenden Modifikations-Funktionen eines CAD Systems beinhalten das Verschieben, Rotieren, Spiegeln und Skalieren von Objekten. Zusätzlich zu diesen Funktionen, die nicht die Charakteristik eines Objektes ändern gibt es auch noch andere Funktionen wie zum Beispiel das Aufbrechen, Trimmen, Verlängern oder Strecken von bestehenden Objekten.

4.9. Die CAD Ansicht

Anders als in der manuellen Konstruktion ist es nicht nötig in einem CAD System die Papiergrösse oder die Skalierung der Zeichnung vor dem Zeichnen zu bestimmen. Es gibt keine Skalierung der Zeichnung: alle Grössen und Distanzen werden in Original-Grösse konstruiert. Ein 10 Meter grosses Objekt wird als 10 Meter grosses Objekt gezeichnet. Erst beim Drucken muss die Zeichnung auf Grund der Papiergrösse und der Zeichnungsgrösse skaliert werden. Die Zeichnung selbst wird davon nicht verändert und bleibt immer im Massstab 1:1.

Auf dem Bildschirm kann der Anwender den aktuell sichtbaren Bereich der Zeichnung verändern mit den Zoom-Funktionen. Hereinzoomen heisst, die Ansicht vergrössern und mehr Details sichtbar machen. Herauszoomen das Gegenteil um zum Beispiel die ganze Zeichnung auf dem Bildschirm sichtbar zu machen. Eine andere wichtige Funktion ist das Panning. Dabei wird der aktuelle Ausschnitt verändert zum Beispiel mit den Rollbalken wie das auch in anderen Applikationen üblich ist.


ContentsFirstPreviousHomeNextLast